ARK210/6 PTR Anschlussklemme 6-pol. anreihbar
Artikelnummer: 710804Verwandte Produkte
Detaillierte Produktbeschreibung
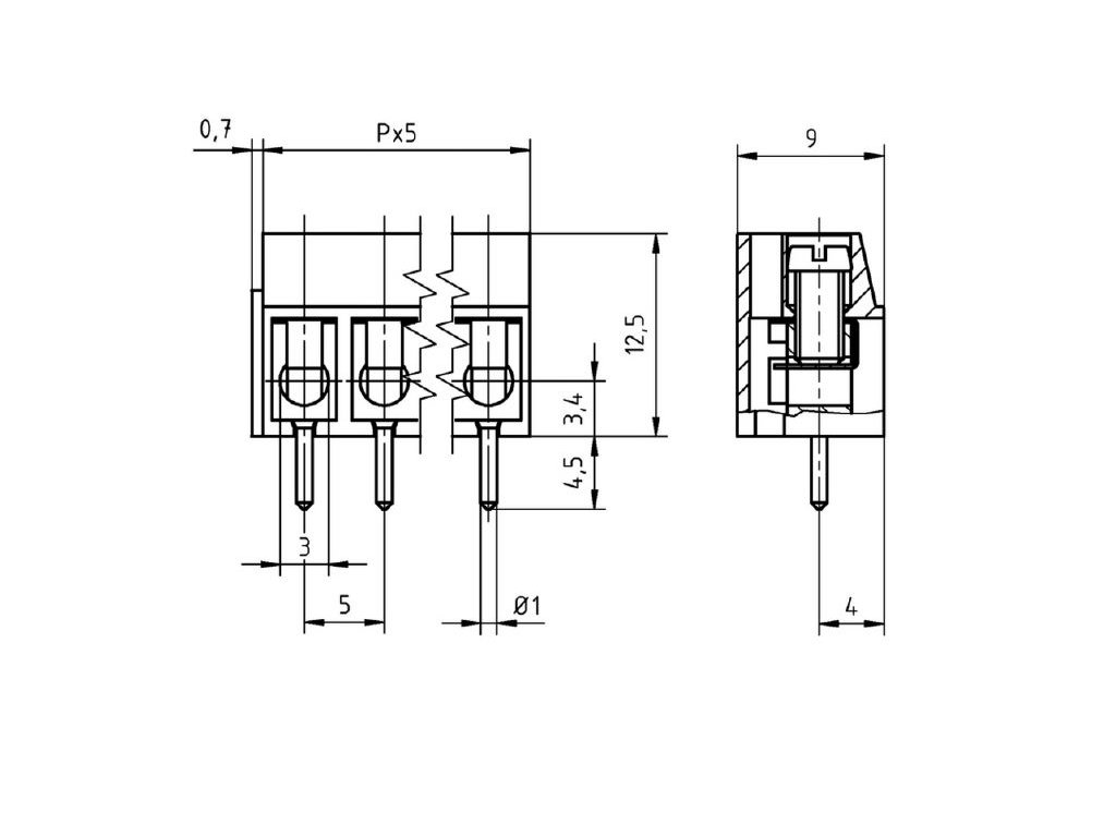
PTR Anreihklemmen, Anschlussklemmen, ARK210/6 AR-Klemmen 250V, 6pol., dunkelgrau, Serie: AK100, Schraubklemmprinzip mit Drahtschutz, Leiteranschluss: horizontal, Rastermaß: 5mm.
Eigenschaften :
• Ausführung: 6-polig
• für gedruckte Schaltungen
• anreihbar
• mit Drahtschutz
• Drahtausgang waagrecht
Technische Daten :
• Nennspannung (EN 60998): 250V
• Nennstrom (T60): 24A
• Prüfspannung: 2kV
• Anschlussquerschnitt eindrähtig (starr): 0,2 - 2,5 mm²
• Anschlussquerschnitt feindrähtig (flexibel): 0,2 - 2,5 mm²
• Anschlussquerschnitt feindrähtig mit Aderendhülse: 0,2 - 2,5 mm²
• Abisolierlänge: 7,0mm
• Bohrlochdurchmesser: 1,3 mm
• Klemmkörper: Messing, verzinnt
• Klemmschraube: Stahl, verzinkt und chromatiert, M3x5,8
• Drahtschutzfeder: Edelstahl
• Material Isolierkörper: PA 6.6
• Brennverhalten: UL94V-0
• Arbeitstemperaturbereich: -30°C...+105°C
• Lagertemperaturbereich: -40°C...+105°C
• Löttemperatur, empfohlen: 265 °C
• Peaklötdauer, empfohlen: 3-4 s
• Abmessungen (LxHxB): 30,7 x 12,5 x 9mm
• Farbe: grau RAL 7016
Zusätzliche Parameter
| Kategorie: | Steckverbinder |
|---|---|
| Farbe: | grau |
| Polzahl: | 6 |
