BMS-NC70
Artikelnummer: 670802Verwandte Produkte
Detaillierte Produktbeschreibung
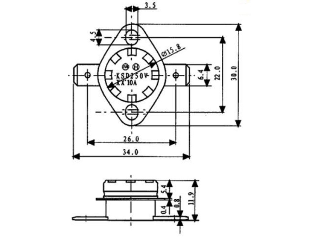
Proffuse BT-H70H - Bimetall-Schalter, Temperaturschalter zur automatischen Temperaturkontrolle und zum Schutz von Geräten vor Überhitzung, wie z. B. Mikrowellen, Heizgeräte, Kaffeemachinen, Lüftersteuereung von Endstufen, Nebelmaschinen, etc.
Eigenschaften :
• Sensorentyp: Thermostat
• Typ: Öffner
• Automatisches Reset
• Anschlussart: Flachstecker
• Ausgangskonfiguration: NC
• Sensoreneigenschaften: Horizontalverbinder Ableitung
Technische Daten :
• Betriebsspannung: max. 250V AC
• Betriebsstrom: max. 10A
• Öffnungstemperatur: 70°C
• Schließtemperatur: 55°C
• Anschlüsse: 6,3mm Steckverbinder

Zusätzliche Parameter
| Kategorie: | Thermoschalter |
|---|---|
| Kontaktausführung: | Öffner |
| Öffnungstemperatur: | 70°C |
| Schliesstemperatur: | 55°C |
| Spannung: | 230V |
| Strom: | 10A |
