Aavid Kunze KU-CG Silikonscheibe Wärmeleitfolie TOP3 1,9W/mK Unterlegscheibe 24x21mm SI490
Artikelnummer: 330550Verwandte Produkte
Detaillierte Produktbeschreibung
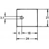
Aavid Kunze KU-CG Hochwärmeleitende Thermosilikonfolie, Wärmeleitfolie TOP3, Silikonisolator Glasfaserverstärkt, Silikonscheibe, Wärmeleitende Auflage aus Silikon, L 24mm, B 21mm S 0,3mm. Ein Silikonisolator dient in Verbindung mit Isolierbuchsen zur isolierten Montage von Halbleitern z.B. auf Kühlkörpern.
HEATPAD® KU-CG ist eine glasfaserverstärkte Silikonfolie, deren hohe Wärmeleitfähigkeit durch die Füllung mit wärmeleitender Keramik erreicht wird. Durch ihren Einsatz lässt sich ein sehr niedriger thermischer Gesamtübergangswiderstand erreichen. Wegen seiner breiten Leistungsfähigkeit ist dieses Interface-Material ideal für den Einsatz in der überwiegenden Mehrzahl von Applikationen geeignet.
Eigenschaften :
• hohe thermische Leitfähigkeit
• sehr niedriger thermischer Gesamtübergangswiderstand
• mechanische Stabilität durch Glasfaserverstärkung
• sehr flexibel
• saubere, schnelle und prozesssichere Montage
• keine Wärmeleitpaste erforderlich
• nicht brennbar nach UL 94 VO
• UL File No.: E337894
• das Produkt ist in mehreren Standard-Lieferformen erhältlich
Technische Daten :
• Material: Silikon mit Glasfaserverstärkung
• Füllstoff: wärmeleitende Keramik
• Durchschlagspannung: 7000V AC (Spannungsrampe 1000V/s)
• Entflammbarkeit: UL94V0
• thermische Leitfähigkeit: 1,9W/mK
• Wärmeübergangswiderstand: 0,45°C/W (bei ca. 1,3MPa)
• Betriebstemperatur: -60...+200°C
• Länge: 24mm
• Breite: 21mm
• Materialdicke: 0,3mm ±0,05
• Farbe: rot
Zusätzliche Parameter
| Kategorie: | Isoliermaterial |
|---|---|
| Farbe: | rot |
